Hjem / Nyheter

Nyheter

Ferdigheter innen kjøp av bladkjeder

Ferdigheter innen kjøp av bladkjeder

Bladkjede har mange funksjoner, så hva bør du være oppmerksom på når du kjøper en kjede? 1. Utseendeinspeksjon av kjeden: ...

Industrikjedevedlikeholdsprosess

Industrikjedevedlikeholdsprosess

Rengjøringsfrekvensen til Industrikjede kan rengjøres i tide med noen måneders mellomrom, hver gang kjedet kommer i kontakt med sjøva...

Silent Chain Type Spot Treatment Method

Silent Chain Type Spot Treatment Method

Silent Chain Strukturen til stålmaterialet, strukturen til stålkjeden, men miljøet til tidevannet og fuktigheten, eller miljøet som væs...

Standardregel for bruk av motorsykkelkjede

Standardregel for bruk av motorsykkelkjede

Under gunstige forhold, fullt økonomisk, fullt rasjonelt, alt i en Motorsykkelkjede bruksperiode, høy effektivitet, uavhengig effekti...

Forholdsregler for vedlikehold av rullekjede

Forholdsregler for vedlikehold av rullekjede

Hvordan vedlikeholde riktig Rullekjede ? Først av alt, ikke dypp kjeden direkte i sterke sure og alkaliske rengjøringsmidler som dies...

Tips for vedlikehold av drivkjeden

Tips for vedlikehold av drivkjeden

Drivkjede er veldig vanlig i dagens industrielle produksjonsprosess, så hvordan vedlikeholde Drive Chain på riktig måte? Driv...

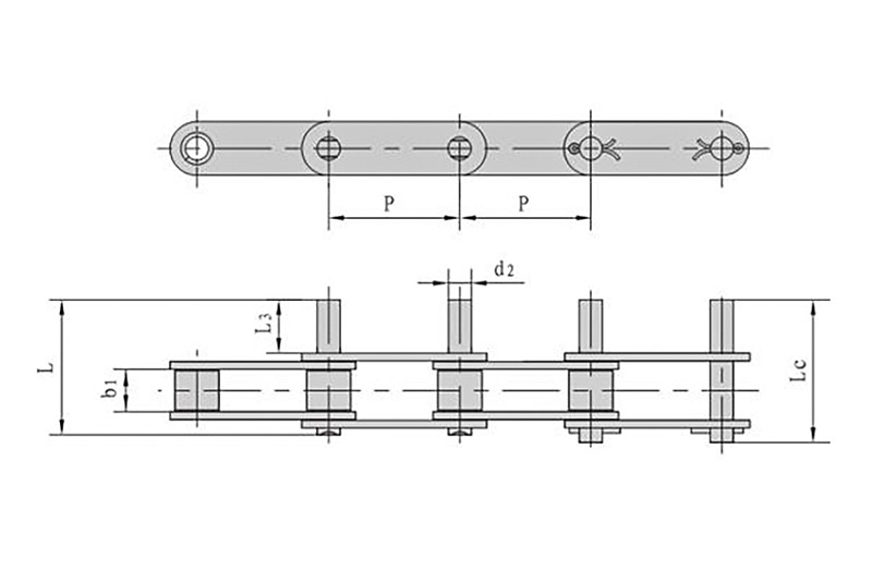
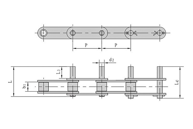
Vanlige spesifikasjoner for transportørkjede

Vanlige spesifikasjoner for transportørkjede

Transportørkjede er delt inn i A-serie og B-serie. A-serien er i samsvar med størrelsesspesifikasjonene til den amerikanske kjedestandarden: ...

Industrielle kjedehjulsprodusenter introduserer utvalgskrav for e-kjeder

Industrielle kjedehjulsprodusenter introduserer utvalgskrav for e-kjeder

Industrielt tannhjul produsenter minner om at mengden, typen og diameteren på kabler og luftrør, hydrauliske rør bestemmer størrelsen og dist...

Leaf Chain Leverandør introduserer forskjellen mellom rustfri stålkjede og karbonstålkjede

Leaf Chain Leverandør introduserer forskjellen mellom rustfri stålkjede og karbonstålkjede

Hva er forskjellen mellom rustfritt stålkjede og karbonstålkjede? Som svar på dette problemet, nedenfor, Bladkjede leverandører vil d...

Hva er hovedbruken til industrikjeden?

Hva er hovedbruken til industrikjeden?

I dag er frekvensen og steder hvor Industrikjede brukes i den industrielle produksjonsindustrien er mer og mer utbredt. Disse kjedene...

Forholdsregler for å designe og produsere Silent Chain

Forholdsregler for å designe og produsere Silent Chain

Det vil være noen problemer i produksjonsprosessen av Silent Chain . Hvis det er et stort problem, vil tapet være stort, og det er be...

Motorsykkelkjede har også sin egen unike modell

Motorsykkelkjede har også sin egen unike modell

Som motorolje, Motorsykkelkjede har også sin egen modell. I henhold til ulike kjøretøykrav bør kjedemodellen som brukes også være den...