Hjem / Nyheter

Nyheter

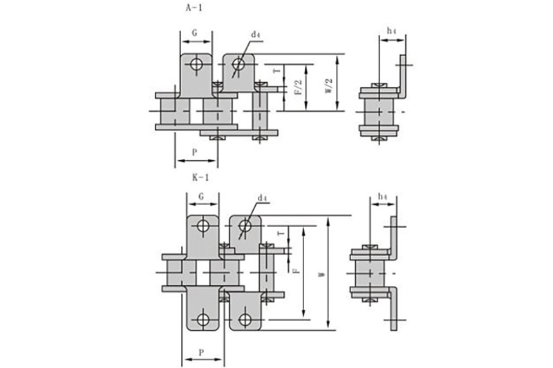
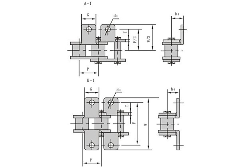
Transmisjonskjedens designfilosofi og arbeidsflyt

Transmisjonskjedens designfilosofi og arbeidsflyt

Transmisjonskjede , som en vanlig overføringskraftenhet, reduserer friksjonskraften gjennom "kjede"-designet til hyperbolsk bue. Den br...

Hvordan reduserer rullekjede genereringen av statisk elektrisitet

Hvordan reduserer rullekjede genereringen av statisk elektrisitet

Rullekjede ser ut som en tankkjede og er sammensatt av mange enhetslenker. Linkene kan rotere fritt. Den indre høyden, ytre høyden og s...

Forklar kort hvorfor rullekjede vil bli korrodert

Forklar kort hvorfor rullekjede vil bli korrodert

På grunn av arbeidsmiljøet til Rullekjede , vil det naturligvis være noe korrosjon, så hva er hovedårsaken til at Rullekjeden korrode...

Drivkjedeprodusenten introduserer hvorfor kjedetransporttiden vil være partisk

Drivkjedeprodusenten introduserer hvorfor kjedetransporttiden vil være partisk

Kjedeoverføring og transport kan sakte ha feil. Selv om det ikke er veldig stort, men akkumulering av tid, vil det være noen feil i overføringen. H...

Slik forhindrer du effektivt at girkjeden ikke fungerer

Slik forhindrer du effektivt at girkjeden ikke fungerer

I produksjonsprosessen av Transmisjonskjede , hvis kjeden svikter, må produsenten finne den mest passende løsningen i henhold til det...

Hva er de vanlige feilene til transportbåndkjeden

Hva er de vanlige feilene til transportbåndkjeden

Transportørkjede er mye brukt i industrielle kjeder, for eksempel mattransportmaskiner, gjødseltransportutstyr, gruvemaskinkjeder, etc...

Forholdsregler for vedlikehold av bladkjeder

Forholdsregler for vedlikehold av bladkjeder

Når Bladkjede er installert når kjedet er aktivert, er det nødvendig å kontrollere om kjedet fungerer normalt og om strammingen i sag...

Hvordan vedlikeholde industrielle tannhjul

Hvordan vedlikeholde industrielle tannhjul

I vedlikehold av Industrielt tannhjul , vær oppmerksom på tannformen til tannhjulet. Tannformen på kjedehjulet skal sikre at kjedet ...

Må antallet rullekjedekoblinger være jevnt

Må antallet rullekjedekoblinger være jevnt

Rullekjede kjedelengde uttrykkes ved antall ledd. Antall kjettingledd er fortrinnsvis et partall, slik at når kjedene danner en ring, ...

Industrielt tannhjul er et solid eller eiket tannhjul

Industrielt tannhjul er et solid eller eiket tannhjul

Industrielt tannhjul refererer til et hjul med tannspennetenner, som brukes til å gripe inn i en blokk med nøyaktig stigning på en len...

Hvordan vedlikeholde industrikjeden for å forlenge levetiden

Hvordan vedlikeholde industrikjeden for å forlenge levetiden

Industrikjede vil bli slapp eller til og med frakoblet etter langvarig bruk, og hvordan kan man forhindre slike problemer? Kjedes...

Trinn for å bytte motorsykkelkjede

Trinn for å bytte motorsykkelkjede

Når Motorsykkelkjede skal skiftes, skal det bemerkes at kjede og kjedehjul må skiftes sammen. Det nye kjedet vil fremskynde aldring a...